Op-Amp Preamplifier (±15 V)

Clean, low-noise preamp using a non-inverting op-amp. Adjustable gain, audio-grade passives, and dual supply.

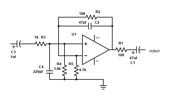
Op-amp preamplifier schematic

Schematic

Download/view the schematic above (preamplifier-opamp.png). The design assumes a dual supply of ±15 V.

Parts list

ItemSpec / Notes
Op-ampNE5532 / OPA2134 / TL072 (dual, low-noise)
Rin1 k–10 k (input stopper)
Rg, RfGain set (see formula below). Use 1% metal film.
Cin1 µF film (DC block if source has DC)
Cfb10–47 pF across Rf for HF stability (optional)
Supply decoupling100 nF + 10 µF close to op-amp rails
Supply±15 V regulated
Pot (optional)10–50 k audio taper for volume

How it works

Non-inverting gain: Gain = 1 + (Rf/Rg).

Keep feedback network short; add 10–47 pF across Rf to tame RF/hiss in high-gain builds.

Build & wiring

  1. Star-ground the audio ground; keep signal returns separate from power ground until the star point.
  2. Place decoupling caps close to op-amp pins.
  3. Route input away from transformer/AC. Use shielded cable for front-panel jacks/pot.
  4. If adding a volume pot: wire as standard voltage divider before the op-amp non-inverting input.

Testing

FAQ

Can I run on a single 12–18 V supply? Yes with a virtual mid-rail and input/output coupling capacitors, but dual supply gives best headroom and lowest distortion.